Контакт
телефон:+86-020-89301885
телефон:+86-020-89301886
факс: +86-020-84309967
Email: [email protected]
SKYPE: teyuchiller
Адрес: Чжун Куна Шэн промышленная зона, Panyu района, города Гуанчжоу, Чунг Чонг Road No. 50
Подробнее
Внедрение продукции
Кондиционер для шкафов TEYU ECU-2500 обеспечивает точное цифровое регулирование температуры, поддерживая стабильную работу шкафов и защищая оборудование. Оснащенный высокоэффективным компрессором известного бренда, он обеспечивает мощное, энергосберегающее охлаждение мощностью 2500 Вт, быстро компенсирующее тепловые нагрузки. Дополнительные решения для отвода конденсата, включая испаритель или водяной бокс, обеспечивают сухость и надежность работы шкафов.
Созданный для промышленного применения, ECU-2500 поддерживает системы ЧПУ, коммуникационное оборудование, силовое оборудование, лазерное оборудование, контрольно-измерительные приборы и текстильное оборудование. Благодаря широкому диапазону рабочих температур от -5°C до 50°C, экологически чистому хладагенту R-410A и расходу воздуха до 1800 м³/ч, он обеспечивает долговременную стабильность, продлевает срок службы оборудования и способствует повышению общей производительности.
Параметры продукта
Рабочий ток может быть разным в разных условиях работы. Вышеуказанная информация предназначена только для справки. Пожалуйста, в зависимости от фактического доставленного продукта.
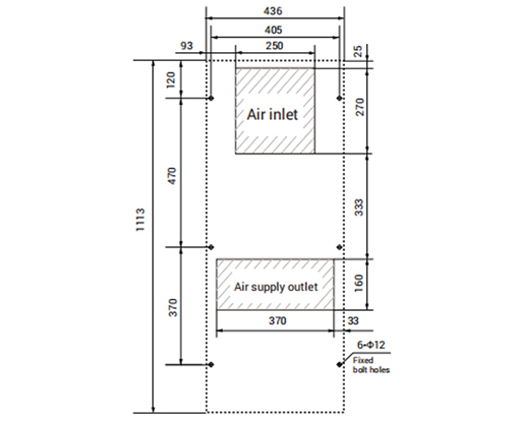
информация о продукте
Сертификат

Часто задаваемые вопросы
Обратная Связь
|
Продукция
|
|
|
*Е-майл
|
|
|
*Содержание
|
|
|
*Имя
|
|
|
Телефон
|
|
|
адрес/другое
|
|
|
*Проверка
|
|





